- Standard and ordinary-sized bushes
- Metallic glass transformer bushing
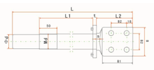
- Flange Type transformer bush (Flange Type Sealed)
- Flange Type transformer bushing (Porcelain Sealed)
- Wind power photovoltaic Box Transformer Substation 40.5KV bushing
- Transformer Amphenol connector, conducting rod
- Off-circuit tap-changer
- Dehydrating breather
- XDL serial oil level gauge
- Butterfly valve, valve, seal
- Gas relay, dry-type transformer accessories, oil tank accessories
Contacts:Section manager
Mobile: 86-13333086669
Tel:0086-318-3736777 0086-318-3736111
Fax:0086-318-3736969
E-mail: 76663880@qq.com
Address:Dayang Village, Wuqiang County
Contacts:Section manager
Tel:0086-318-3736777 0086-318-3736111
Mobile: 86-13333086669
¡ö Outline dimension
¡ö Technical parameters and outline dimension
|
Code |
Rated current A |
Dimensions (mm) |
Weight Kg |
||||||||||||
|
L |
L1 |
L2 |
t |
t1 |
Od |
Md |
D1 |
B |
B1 |
B2 |
b |
b1 |
|||
|
WT. 2000 |
2000 |
385 |
265 |
105 |
10 |
14 |
38 |
42X2 |
120 |
80 |
85 |
45 |
100 |
95 |
5. 1 |
|
WT.3150 |
3150 |
385 |
265 |
105 |
10 |
16 |
42 | 48X2 | 120 | 80 |
85 |
45 |
100 |
95 |
6.5 |
|
WT.4000 |
4000 |
445 |
310 |
120 |
14 |
18 |
48 | 52X2 | 135 | 80 |
85 |
45 |
120 |
108 |
10.5 |
|
WT.5000 |
5000 |
445 |
215 |
120 |
14 |
18 |
52 | 56X2 | 150 | 80 |
85 |
45 |
130 |
115 |
13.2 |













